Warning: Undefined array key "file" in /efs/monovate.net/public_html/en/wp-includes/media.php on line 1763
Warning: Undefined array key "file" in /efs/monovate.net/public_html/en/wp-includes/media.php on line 1763
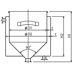
This is ahopper-type
bottom discharge stainless steel tank.
Click here for the product lineup



Features
●Can be used as an input container, attached to
largecontainers or equipment.
●The bottom plate is shaped like a
hopper, providing excellent drainage forliquids.
●Choose from 3 types oflids: ‘ST’, ‘CTH’, and ‘CTL’.
● Thegasket
included with the sealed container is made of silicone rubber, which complies with food hygienelaws.
●The border between
thehopper and the body is an R-structure that is less likely to accumulate dirt.
Hopper angle and drain outlet can be customized
The hopper angle can be changed to suit the contents and specifications.


The type and size of the drain outlet can also be customized to suit the contents and piping.

Customization of fittings such as nipples and flanges is
alsopossible
We can manufacture with the fittings specified by customers.
Various valves can be installed
Product Lineup
・Standard Products (when
youwant to install it on equipment to input raw materials, etc.)
・Caster Leg Type (when you
wantto move the container)
・Separate Type (when you want
toseparate and fix the container and stand according to the work content)
・Jacket Type (when you want
tocontrol the temperature of the contents)
・Custom-made(Made-to-order) Examples
Standard Products
Ideal for attaching to machines, tanks, etc. forthe
insertion of raw materials and other materials.
Caster leg
Allows for smooth movement between processes.
Thecontents can be moved together with the tank, resulting in time savings.
Jacketed
Detachable Stand
The container and stand can be separated and fixed according to the work.
Sincethe container can be removed from the stand and washed, it reduces cleaning time.
Hopper type container with stand 【HT-ASC】
【HT-ST-ASC】
【HT-CTH-ASC】
【HT-CTL-ASC】
Caster leg

























